Nemokamas programėlės parsisiuntimas iš Google Play Store arba Apple Store.
Prekės kodas: 250172
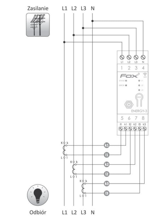
„Fox“ yra išmanioji belaidė visų svarbių elektros tinklo parametrų monitoringo sistema, naudojanti „Wi-Fi“. Elektros energijos stebėjimui „FOX“ sistema naudoja nemokamą mobiliąją programėlę, skirtą „iOS“ ir „Android“ įrenginiams.
| Pajungimas: | Gnybtais |
| Įtampa, V: | 400 |
| Srovė, A: | 100 |
| Dažnis, Hz: | 50/60 |
| Matmenys, mm: | 90x35x85+antena |
| Sertifikatai: | CE |
| Garantija, m.: | 2 |
Wifi-MEF-1-40A elektros energijos skaitiklis
SPALVOS: Oranžinė
Prekės kodas: 6426495301844
Prekės kodas: 6426495302339
Daugiausiai privalumų turintis, kompaktiškiausias įkroviklis elektromobiliams bei hibridiniams automobiliams rinkoje „Astreea® Charger“ – tai elegantiška, didelio našumo įkrovimo stotelė. …